


Trenneinsatz eckig - Starterset
inkl. MwSt. Versandkosten werden an der Kasse berechnet
🚚 Versandkostenfrei ab 150€ in DE, vorher 4,90€
⏰ 14 Tage Rückgaberecht
Beschreibung
Unser Trenneinsatz ist die perfekte Lösung für alle, die eine Trockentoilette nutzen, aber keine vorgefertigten Modelle kaufen möchten. Mit unserer Urinseparation kannst du deine eigene DIY Trockentoilette nach deinen Vorstellungen bauen.
Unser Trenneinsatz besteht aus hochwertigem, langlebigem 100 % recyceltem Kunststoff, der leicht zu reinigen ist und jahrelang hält.
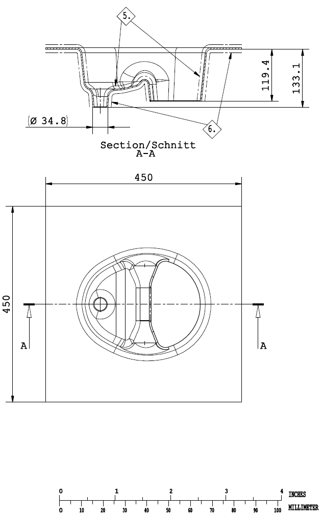
Die Abmessungen für den Trenneinsatz sind L450 x B450 x H133 (Urinabfluss) bzw. H119 (Loch für Feststoff) mm. Die Wände des Urintrenners sind 6 mm stark. Der Abfluss-Stutzen für den Urin hat einen Durchmesser von ca. 35 mm und ist leicht konisch.
Die Größe des tiefgezogenem Trenneinsatzes ohne Rand ist L310 x B260 x H133 mm.
Produkt- & Versanddaten
Artikelmaß
Länge 450 mm x Breite 450 mm x Höhe 133,1 mm
Hersteller
Goldeimer
Herstellungsland
Deutschland
Recycelt / Recycelbar
Ja
An Packstation lieferbar?
ja
Technische Zeichnung
Lieferumfang
1x Urinkanister 5 Liter
1x Geruchsverschluss
1x Verschlussdeckel
1x Deckel gelocht für Urinkanister
1x Eimer für Feststoffe 5,6 Liter
1x »Stinkfrei« Einstreu 30 Liter
1x »Schietbüdel« Kompostierbare Beutel 10 Liter

🛠️Montagevarianten für die Trockentoilette Marke Eigenbau
1. Kanister & Eimer
Der Trenneinsatz wird mit unserem Urinkanister (inkl. gelochtem Deckel und Geruchsverschluss + einem Verschlussdeckel) und einem großen oder kleinen Eimer für die Feststoffe kombiniert.
2. Tank + HT Rohr / HT Schlauch
Der Trenneinsatz wird mit einem HT Rohr oder einem HT Flexschlauch und einem HT Muffenstopfen (alles Durchmesser 50 oder 75 mm) an einen weiter entfernten Urin- oder Grauwassertank angeschlossen. Wenn in den Muffenstopfen eine 39 mm Bohrung eingebracht wird, kann toilettenseitig wieder unser Geruchsverschluss eingesetzt werden und den Abflussstutzen des Trenneinsatzes aufnehmen.
Wir empfehlen unser Sieb zu bestellen, damit ein Verstopfen des Schlauches vermieden wird. Feststoffe werden mit einem großen und einem kleinen Eimer gesammelt.
3. Tank + Schlauch
Der Trenneinsatz wird mit einem Schlauch an einen weiter entfernten Urin- oder Grauwassertank angeschlossen. Auch hier empfehlen wir unser Sieb zu bestellen, damit ein Verstopfen des Schlauches vermieden wird. Hier sollte als Geruchsverschluss ein Siphon eingeplant werden, damit keine Gerüche aus dem Tank entweichen können. Achtet darauf, dass der Schlauch an beiden Enden mit Schlauchschellen gesichert ist. Feststoffe sammelt ihr mit einem großen und einem kleinen Eimer.
DIY Toiletten unserer Kunden









